Products SMD Resistor
- Home
- Product
- Resistor
- SMD Resistor
- CHIP RESISTOR (RC)
CHIP RESISTOR (RC)
TYPE:RC0201 , RC0402 , RC0603 , RC0805 , RC1206 , RC1210 , RC1812 , RC2010 , RC1218 , RC2512 , RC2030
CHIP RESISTOR
RC TYPE
♦INTRODUCTION
-Chip resistors consist of a deposited resistive paste on ceramic body and two wrapping end of the resistor to wave soldering.
♦FEATURE
-The resistive layer is covered with a protective coating to ensure mechanical and environmental integrity.
-Excellent mechanical strength and electrical stability due to special electrode construction.
-Free from troubles at placement due to accurate and uniformed physical dimensions
-Low TRC available:50ppm,25ppm,15ppm,10ppm.
♦CONSTRUCTION AND MATERIALS

♦POWER RATING CURVE
For resistors operate in ambient temperatures above 70℃, power rating must be derated in accordance with the curve below:
♦DIMENSIONS

♦RATINGS

♦TAPING SPECIFICATIONS

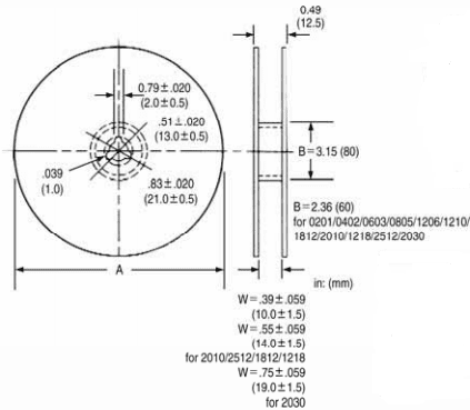
♦REEL DIMENSIONS

♦PAPPER CARRIER

-This table shows the first two digits for the three-digit EIA-96 part marking scheme
-The third character is a letter multiplier: Y=10-2 X=10-1 A=100 B=101 C=102 D=103 E=104 F=105
-RC0402/RC0201 have no marking.
Chip resistors consist of a deposited resistive paste on ceramic body and two wrapping end of the resistor to wave soldering.
CHIP RESISTOR
RC TYPE
♦INTRODUCTION
-Chip resistors consist of a deposited resistive paste on ceramic body and two wrapping end of the resistor to wave soldering.
♦FEATURE
-The resistive layer is covered with a protective coating to ensure mechanical and environmental integrity.
-Excellent mechanical strength and electrical stability due to special electrode construction.
-Free from troubles at placement due to accurate and uniformed physical dimensions
-Low TRC available:50ppm,25ppm,15ppm,10ppm.
♦CONSTRUCTION AND MATERIALS

♦POWER RATING CURVE
For resistors operate in ambient temperatures above 70℃, power rating must be derated in accordance with the curve below:
♦DIMENSIONS

♦RATINGS

♦TAPING SPECIFICATIONS

♦REEL DIMENSIONS

♦PAPPER CARRIER

-This table shows the first two digits for the three-digit EIA-96 part marking scheme
-The third character is a letter multiplier: Y=10-2 X=10-1 A=100 B=101 C=102 D=103 E=104 F=105
-RC0402/RC0201 have no marking.
Chip resistors consist of a deposited resistive paste on ceramic body and two wrapping end of the resistor to wave soldering.


